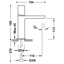
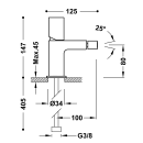
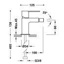
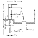
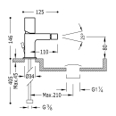
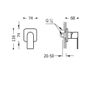
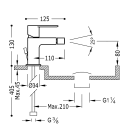
Tres Serie Loft-Tres


Artikel 1 - 20 von 57
Mit kostenlosen JTL-Plugins von CMO.de